Высокотехнологичное
аналитическое 
оборудование
+ 7 812 322 58 99
Пн.-Пт. 10:00 – 18:00 (МСК)
Главная
О компании
  • История TESCAN
  • TESCAN в России и СНГ
  • Новости
  • Вакансии
  • Лицензии и сертификаты
Оборудование
  • Сканирующие электронные микроскопы
    Сканирующие электронные микроскопы
    • TESCAN VEGA Compact
    • TESCAN VEGA
    • TESCAN MIRA
    • TESCAN CLARA
    • TESCAN MAGNA
    • TESCAN TIMA
  • Двулучевые сканирующие электронные микроскопы
    Двулучевые сканирующие электронные микроскопы
    • TESCAN AMBER
    • TESCAN AMBER X
    • TESCAN SOLARIS
    • TESCAN SOLARIS X
  • Рентгеновские томографы
    Рентгеновские томографы
    • TESCAN CoreTOM
    • TESCAN DynaTOM
  • Детекторы и аксессуары TESCAN
    Детекторы и аксессуары TESCAN
    • Детекторы SE
    • Детекторы BSE
    • Детекторы In-Beam
    • Детекторы STEM
    • Детекторы CL
    • Детектор SITD
    • Аксессуары
  • Аналитические системы
    Аналитические системы
    • EDS
      • Essence EDS
      • Ultim Extreme
      • Ultim MAX
    • WDS
      • INCA Wave
    • AFM
      • AFM BRISK
      • Nenovision LiteScope
  • Сопутствующее оборудование
    Сопутствующее оборудование
    • Напылительные установки
      • Q150R plus
      • Q150T Plus
    • Ионная полировка
      • SEMPrep2
      • UniMill
    • Сушка в критической точке
      • Quorum Technologies K850
    • Микромеханическая обработка
      • MICROSAW MS3
      • MICROPOL MC3
      • MICROHEAT MH3
    • Системы измерения и подавления ЭМ полей
      • SC22
      • SC24
      • SC26
      • SC11/Basic/USB
  • Рентгеновские дифрактометры
    Рентгеновские дифрактометры
    • DX-2700
    • DX-27mini
    • Анализатор остаточных напряжений DS-21P
    • Спектрометр XAFS2300
  • Прочие детекторы и аксессуары
    Прочие детекторы и аксессуары
    • Столики Deben MICROTEST
    • Столик с нагревом GATAN Murano™
    • Нанозондовые столики Kleindiek Prober Shuttle
  • Расходные материалы
    Расходные материалы
    • Электропроводящие ленты, диски, пасты
      • Двухсторонний электропроводящий углеродный скотч шириной 8 мм
      • Двухсторонний электропроводящий углеродный скотч шириной 12 мм
      • Двухсторонняя электропроводящая медная лента, 12.7 мм × 16.4 м
      • Двухсторонний электропроводящий углеродный скотч шириной 20 мм
      • Двусторонние электропроводящие углеродные диски диаметром 12 мм, 100 шт./уп.
      • Двухсторонние электропроводящие углеродные диски повышенной чистоты диаметром 12 мм, 120 шт./уп.
      • Двухсторонние электропроводящие углеродные диски диаметром 25 мм, 54 шт./уп.
      • Двухсторонние электропроводящие углеродные диски диаметром 9 мм, 98 шт./уп.
      • Двухсторонние электропроводящие углеродные диски диаметром 6 мм, 112 шт./уп.
      • Углеродные проводящие листы, 50 мм × 120 мм, толщина 0.16 мм, 10 шт./уп.
    • Столики и держатели для крепления образцов
      • Алюминиевые (стандартные) столики, диаметром 12,7 мм. 100шт/упак
      • Алюминиевые (стандартные) столики, диаметром 25 мм, 100 шт./уп.
      • Семипозиционный держатель образцов для микроскопов TESCAN
      • Алюминиевый стенд на 40 столиков диаметром 12.7 мм
    • Контейнеры для хранения образцов
      • Контейнеры-колбочки для хранения стандартных столиков, 10 шт./уп.
      • Контейнер для хранения стандартных столиков на 18 позиций
      • Контейнер для хранения стандартных столиков на 14 позиций
      • Мембранный бокс для переноски образцов, 38 мм (ширина) х 38 мм (глубина) х 16 мм (высота), 12 шт./уп.
      • Контейнер для хранения стандартных столиков на 8 позиций
      • Контейнер для хранения стандартных столиков на 4 позиции
      • Антистатический бокс для хранения ламелей (на 100 позиций)
      • PELCO® контейнер для хранения 50 TEM сеточек
      • Контейнер для хранения 50 TEM сеточек
      • Контейнер для хранения 100 TEM сеточек
    • Материалы для обслуживания микроскопов
      • Вольфрамовый катод для сканирующих электронных микроскопов JEOL (тип K)
      • Вольфрамовый катод для сканирующих электронных микроскопов Cambridge/LEO/Zeiss и AEI
      • Вольфрамовый катод для сканирующих электронных микроскопов TESCAN VEGA
    • Сетки для TEM
      • Медные полусетки Omniprobe с 4-мя выступами для закрепления ламелей 100 шт./уп.
      • Медные сетки, 50 mesh, 100 шт./уп.
      • Медные сетки, 75 mesh, 100 шт./уп.
      • Медные сетки, 100 mesh, 100 шт./уп.
      • Медные сетки, 200 mesh, 100 шт./уп.
      • Медные сетки, 300 mesh, 100 шт./уп.
      • Медные сетки, 400 mesh, 100 шт./уп.
      • Никелевые сетки, 50 mesh, 100 шт./уп.
      • Никелевые сетки, 75 mesh, 100 шт./уп.
      • Никелевые сетки, 100 mesh, 100 шт./уп.
      • Никелевые сетки, 200 mesh, 100 шт./уп.
      • Никелевые сетки, 300 mesh, 100 шт./уп.
      • Никелевые сетки, 400 mesh, 100 шт./уп.
      • Медные сетки, 75 mesh, формвар+углерод, 50 шт./уп.,
      • Медные сетки, 200 mesh, углеродное покрытие 15-25 нм, 25 шт./уп.
      • Медные сетки, 300 mesh, формвар/углеродное покрытие 15-25 нм, 25 шт/упак
      • Медные сетки, 400 mesh, формвар/углеродное покрытие 3 нм, 25 шт./уп.
      • Медные сетки с несимметричными метками на ободе и в центре, 600 mesh, 100 шт./уп.
      • Медные сетки, 200 mesh, Lacey формвар/углерод, 25 шт./уп.
      • Медные сетки, 300 mesh, Lacey формвар/углерод, 25 шт./уп.
      • Медные сетки, 300 mesh, Lacey углерод/формвар, 25 шт./уп.
      • Медные сетки, 400 mesh, Lacey формвар/углерод, 25 шт./уп.
    • Иглы для наноманипуляторов
      • Стандартные вольфрамовые иглы для наноманипуляторов OmniProbe AutoProbe 100 и 200
      • Узкие вольфрамовые иглы для наноманипуляторов OmniProbe Autoprobe 100 и 200
    • Материалы для напыления
      • Углеродная нить (шнур), диаметр 0.8 мм, лин. плотность 0.4 г/м 10 метров
      • Катушка углеродной нити, 100 м
      • Углеродная нить (шнур), диаметр 2.4 мм, лин. плотность 1.6 г/м 10 метров
      • Кристалл для измерителя толщины напыления, 1 шт.
    • Материалы для изготовления реплик
      • Тонкая репликационная лента из ацетата целлюлозы, толщина 22 мкм, 38 мм × 4.5 м
Расходные материалы
Применение
  • Академия ТЕСКАН
    • Что такое СЭМ?
    • Детекторы и аксессуары
    • Внутрикамерные детекторы
    • Внутрилинзовые детекторы
    • FIB-SEM: области и возможности применения
    • Обзор методов пробоподготовки
    • Список литературы
  • Статьи
  • Галерея изображений
  • Видеоматериалы
Новости
Календарь
Контакты
    TESCAN
    Меню  
    • Главная
    • О компании
      • История TESCAN
      • TESCAN в России и СНГ
      • Новости
      • Вакансии
      • Лицензии и сертификаты
    • Оборудование
      • Сканирующие электронные микроскопы
        • TESCAN VEGA Compact
        • TESCAN VEGA
        • TESCAN MIRA
        • TESCAN CLARA
        • TESCAN MAGNA
        • TESCAN TIMA
      • Двулучевые сканирующие электронные микроскопы
        • TESCAN AMBER
        • TESCAN AMBER X
        • TESCAN SOLARIS
        • TESCAN SOLARIS X
      • Рентгеновские томографы
        • TESCAN CoreTOM
        • TESCAN DynaTOM
      • Детекторы и аксессуары TESCAN
        • Детекторы SE
        • Детекторы BSE
        • Детекторы In-Beam
        • Детекторы STEM
        • Детекторы CL
        • Детектор SITD
        • Аксессуары
      • Аналитические системы
        • EDS
          • Essence EDS
          • Ultim Extreme
          • Ultim MAX
        • WDS
          • INCA Wave
        • AFM
          • AFM BRISK
          • Nenovision LiteScope
      • Сопутствующее оборудование
        • Напылительные установки
          • Q150R plus
          • Q150T Plus
        • Ионная полировка
          • SEMPrep2
          • UniMill
        • Сушка в критической точке
          • Quorum Technologies K850
        • Микромеханическая обработка
          • MICROSAW MS3
          • MICROPOL MC3
          • MICROHEAT MH3
        • Системы измерения и подавления ЭМ полей
          • SC22
          • SC24
          • SC26
          • SC11/Basic/USB
      • Рентгеновские дифрактометры
        • DX-2700
        • DX-27mini
        • Анализатор остаточных напряжений DS-21P
        • Спектрометр XAFS2300
      • Прочие детекторы и аксессуары
        • Столики Deben MICROTEST
        • Столик с нагревом GATAN Murano™
        • Нанозондовые столики Kleindiek Prober Shuttle
      • Расходные материалы
        • Электропроводящие ленты, диски, пасты
          • Двухсторонний электропроводящий углеродный скотч шириной 8 мм
          • Двухсторонний электропроводящий углеродный скотч шириной 12 мм
          • Двухсторонняя электропроводящая медная лента, 12.7 мм × 16.4 м
          • Двухсторонний электропроводящий углеродный скотч шириной 20 мм
          • Двусторонние электропроводящие углеродные диски диаметром 12 мм, 100 шт./уп.
          • Двухсторонние электропроводящие углеродные диски повышенной чистоты диаметром 12 мм, 120 шт./уп.
          • Двухсторонние электропроводящие углеродные диски диаметром 25 мм, 54 шт./уп.
          • Двухсторонние электропроводящие углеродные диски диаметром 9 мм, 98 шт./уп.
          • Двухсторонние электропроводящие углеродные диски диаметром 6 мм, 112 шт./уп.
          • Углеродные проводящие листы, 50 мм × 120 мм, толщина 0.16 мм, 10 шт./уп.
        • Столики и держатели для крепления образцов
          • Алюминиевые (стандартные) столики, диаметром 12,7 мм. 100шт/упак
          • Алюминиевые (стандартные) столики, диаметром 25 мм, 100 шт./уп.
          • Семипозиционный держатель образцов для микроскопов TESCAN
          • Алюминиевый стенд на 40 столиков диаметром 12.7 мм
        • Контейнеры для хранения образцов
          • Контейнеры-колбочки для хранения стандартных столиков, 10 шт./уп.
          • Контейнер для хранения стандартных столиков на 18 позиций
          • Контейнер для хранения стандартных столиков на 14 позиций
          • Мембранный бокс для переноски образцов, 38 мм (ширина) х 38 мм (глубина) х 16 мм (высота), 12 шт./уп.
          • Контейнер для хранения стандартных столиков на 8 позиций
          • Контейнер для хранения стандартных столиков на 4 позиции
          • Антистатический бокс для хранения ламелей (на 100 позиций)
          • PELCO® контейнер для хранения 50 TEM сеточек
          • Контейнер для хранения 50 TEM сеточек
          • Контейнер для хранения 100 TEM сеточек
        • Материалы для обслуживания микроскопов
          • Вольфрамовый катод для сканирующих электронных микроскопов JEOL (тип K)
          • Вольфрамовый катод для сканирующих электронных микроскопов Cambridge/LEO/Zeiss и AEI
          • Вольфрамовый катод для сканирующих электронных микроскопов TESCAN VEGA
        • Сетки для TEM
          • Медные полусетки Omniprobe с 4-мя выступами для закрепления ламелей 100 шт./уп.
          • Медные сетки, 50 mesh, 100 шт./уп.
          • Медные сетки, 75 mesh, 100 шт./уп.
          • Медные сетки, 100 mesh, 100 шт./уп.
          • Медные сетки, 200 mesh, 100 шт./уп.
          • Медные сетки, 300 mesh, 100 шт./уп.
          • Медные сетки, 400 mesh, 100 шт./уп.
          • Никелевые сетки, 50 mesh, 100 шт./уп.
          • Никелевые сетки, 75 mesh, 100 шт./уп.
          • Никелевые сетки, 100 mesh, 100 шт./уп.
          • Никелевые сетки, 200 mesh, 100 шт./уп.
          • Никелевые сетки, 300 mesh, 100 шт./уп.
          • Никелевые сетки, 400 mesh, 100 шт./уп.
          • Медные сетки, 75 mesh, формвар+углерод, 50 шт./уп.,
          • Медные сетки, 200 mesh, углеродное покрытие 15-25 нм, 25 шт./уп.
          • Медные сетки, 300 mesh, формвар/углеродное покрытие 15-25 нм, 25 шт/упак
          • Медные сетки, 400 mesh, формвар/углеродное покрытие 3 нм, 25 шт./уп.
          • Медные сетки с несимметричными метками на ободе и в центре, 600 mesh, 100 шт./уп.
          • Медные сетки, 200 mesh, Lacey формвар/углерод, 25 шт./уп.
          • Медные сетки, 300 mesh, Lacey формвар/углерод, 25 шт./уп.
          • Медные сетки, 300 mesh, Lacey углерод/формвар, 25 шт./уп.
          • Медные сетки, 400 mesh, Lacey формвар/углерод, 25 шт./уп.
        • Иглы для наноманипуляторов
          • Стандартные вольфрамовые иглы для наноманипуляторов OmniProbe AutoProbe 100 и 200
          • Узкие вольфрамовые иглы для наноманипуляторов OmniProbe Autoprobe 100 и 200
        • Материалы для напыления
          • Углеродная нить (шнур), диаметр 0.8 мм, лин. плотность 0.4 г/м 10 метров
          • Катушка углеродной нити, 100 м
          • Углеродная нить (шнур), диаметр 2.4 мм, лин. плотность 1.6 г/м 10 метров
          • Кристалл для измерителя толщины напыления, 1 шт.
        • Материалы для изготовления реплик
          • Тонкая репликационная лента из ацетата целлюлозы, толщина 22 мкм, 38 мм × 4.5 м
    • Расходные материалы
    • Применение
      • Академия ТЕСКАН
        • Что такое СЭМ?
        • Детекторы и аксессуары
        • Внутрикамерные детекторы
        • Внутрилинзовые детекторы
        • FIB-SEM: области и возможности применения
        • Обзор методов пробоподготовки
        • Список литературы
      • Статьи
      • Галерея изображений
      • Видеоматериалы
    • Новости
    • Календарь
    • Контакты
    Заказать звонок
    +7 (812) 322 58 99
    TESCAN
    • Главная
    • О компании
      • Назад
      • О компании
      • История TESCAN
      • TESCAN в России и СНГ
      • Новости
      • Вакансии
      • Лицензии и сертификаты
    • Оборудование
      • Назад
      • Оборудование
      • Сканирующие электронные микроскопы
        • Назад
        • Сканирующие электронные микроскопы
        • TESCAN VEGA Compact
        • TESCAN VEGA
        • TESCAN MIRA
        • TESCAN CLARA
        • TESCAN MAGNA
        • TESCAN TIMA
      • Двулучевые сканирующие электронные микроскопы
        • Назад
        • Двулучевые сканирующие электронные микроскопы
        • TESCAN AMBER
        • TESCAN AMBER X
        • TESCAN SOLARIS
        • TESCAN SOLARIS X
      • Рентгеновские томографы
        • Назад
        • Рентгеновские томографы
        • TESCAN CoreTOM
        • TESCAN DynaTOM
      • Детекторы и аксессуары TESCAN
        • Назад
        • Детекторы и аксессуары TESCAN
        • Детекторы SE
        • Детекторы BSE
        • Детекторы In-Beam
        • Детекторы STEM
        • Детекторы CL
        • Детектор SITD
        • Аксессуары
      • Аналитические системы
        • Назад
        • Аналитические системы
        • EDS
          • Назад
          • EDS
          • Essence EDS
          • Ultim Extreme
          • Ultim MAX
        • WDS
          • Назад
          • WDS
          • INCA Wave
        • AFM
          • Назад
          • AFM
          • AFM BRISK
          • Nenovision LiteScope
      • Сопутствующее оборудование
        • Назад
        • Сопутствующее оборудование
        • Напылительные установки
          • Назад
          • Напылительные установки
          • Q150R plus
          • Q150T Plus
        • Ионная полировка
          • Назад
          • Ионная полировка
          • SEMPrep2
          • UniMill
        • Сушка в критической точке
          • Назад
          • Сушка в критической точке
          • Quorum Technologies K850
        • Микромеханическая обработка
          • Назад
          • Микромеханическая обработка
          • MICROSAW MS3
          • MICROPOL MC3
          • MICROHEAT MH3
        • Системы измерения и подавления ЭМ полей
          • Назад
          • Системы измерения и подавления ЭМ полей
          • SC22
          • SC24
          • SC26
          • SC11/Basic/USB
      • Рентгеновские дифрактометры
        • Назад
        • Рентгеновские дифрактометры
        • DX-2700
        • DX-27mini
        • Анализатор остаточных напряжений DS-21P
        • Спектрометр XAFS2300
      • Прочие детекторы и аксессуары
        • Назад
        • Прочие детекторы и аксессуары
        • Столики Deben MICROTEST
        • Столик с нагревом GATAN Murano™
        • Нанозондовые столики Kleindiek Prober Shuttle
      • Расходные материалы
        • Назад
        • Расходные материалы
        • Электропроводящие ленты, диски, пасты
          • Назад
          • Электропроводящие ленты, диски, пасты
          • Двухсторонний электропроводящий углеродный скотч шириной 8 мм
          • Двухсторонний электропроводящий углеродный скотч шириной 12 мм
          • Двухсторонняя электропроводящая медная лента, 12.7 мм × 16.4 м
          • Двухсторонний электропроводящий углеродный скотч шириной 20 мм
          • Двусторонние электропроводящие углеродные диски диаметром 12 мм, 100 шт./уп.
          • Двухсторонние электропроводящие углеродные диски повышенной чистоты диаметром 12 мм, 120 шт./уп.
          • Двухсторонние электропроводящие углеродные диски диаметром 25 мм, 54 шт./уп.
          • Двухсторонние электропроводящие углеродные диски диаметром 9 мм, 98 шт./уп.
          • Двухсторонние электропроводящие углеродные диски диаметром 6 мм, 112 шт./уп.
          • Углеродные проводящие листы, 50 мм × 120 мм, толщина 0.16 мм, 10 шт./уп.
        • Столики и держатели для крепления образцов
          • Назад
          • Столики и держатели для крепления образцов
          • Алюминиевые (стандартные) столики, диаметром 12,7 мм. 100шт/упак
          • Алюминиевые (стандартные) столики, диаметром 25 мм, 100 шт./уп.
          • Семипозиционный держатель образцов для микроскопов TESCAN
          • Алюминиевый стенд на 40 столиков диаметром 12.7 мм
        • Контейнеры для хранения образцов
          • Назад
          • Контейнеры для хранения образцов
          • Контейнеры-колбочки для хранения стандартных столиков, 10 шт./уп.
          • Контейнер для хранения стандартных столиков на 18 позиций
          • Контейнер для хранения стандартных столиков на 14 позиций
          • Мембранный бокс для переноски образцов, 38 мм (ширина) х 38 мм (глубина) х 16 мм (высота), 12 шт./уп.
          • Контейнер для хранения стандартных столиков на 8 позиций
          • Контейнер для хранения стандартных столиков на 4 позиции
          • Антистатический бокс для хранения ламелей (на 100 позиций)
          • PELCO® контейнер для хранения 50 TEM сеточек
          • Контейнер для хранения 50 TEM сеточек
          • Контейнер для хранения 100 TEM сеточек
        • Материалы для обслуживания микроскопов
          • Назад
          • Материалы для обслуживания микроскопов
          • Вольфрамовый катод для сканирующих электронных микроскопов JEOL (тип K)
          • Вольфрамовый катод для сканирующих электронных микроскопов Cambridge/LEO/Zeiss и AEI
          • Вольфрамовый катод для сканирующих электронных микроскопов TESCAN VEGA
        • Сетки для TEM
          • Назад
          • Сетки для TEM
          • Медные полусетки Omniprobe с 4-мя выступами для закрепления ламелей 100 шт./уп.
          • Медные сетки, 50 mesh, 100 шт./уп.
          • Медные сетки, 75 mesh, 100 шт./уп.
          • Медные сетки, 100 mesh, 100 шт./уп.
          • Медные сетки, 200 mesh, 100 шт./уп.
          • Медные сетки, 300 mesh, 100 шт./уп.
          • Медные сетки, 400 mesh, 100 шт./уп.
          • Никелевые сетки, 50 mesh, 100 шт./уп.
          • Никелевые сетки, 75 mesh, 100 шт./уп.
          • Никелевые сетки, 100 mesh, 100 шт./уп.
          • Никелевые сетки, 200 mesh, 100 шт./уп.
          • Никелевые сетки, 300 mesh, 100 шт./уп.
          • Никелевые сетки, 400 mesh, 100 шт./уп.
          • Медные сетки, 75 mesh, формвар+углерод, 50 шт./уп.,
          • Медные сетки, 200 mesh, углеродное покрытие 15-25 нм, 25 шт./уп.
          • Медные сетки, 300 mesh, формвар/углеродное покрытие 15-25 нм, 25 шт/упак
          • Медные сетки, 400 mesh, формвар/углеродное покрытие 3 нм, 25 шт./уп.
          • Медные сетки с несимметричными метками на ободе и в центре, 600 mesh, 100 шт./уп.
          • Медные сетки, 200 mesh, Lacey формвар/углерод, 25 шт./уп.
          • Медные сетки, 300 mesh, Lacey формвар/углерод, 25 шт./уп.
          • Медные сетки, 300 mesh, Lacey углерод/формвар, 25 шт./уп.
          • Медные сетки, 400 mesh, Lacey формвар/углерод, 25 шт./уп.
        • Иглы для наноманипуляторов
          • Назад
          • Иглы для наноманипуляторов
          • Стандартные вольфрамовые иглы для наноманипуляторов OmniProbe AutoProbe 100 и 200
          • Узкие вольфрамовые иглы для наноманипуляторов OmniProbe Autoprobe 100 и 200
        • Материалы для напыления
          • Назад
          • Материалы для напыления
          • Углеродная нить (шнур), диаметр 0.8 мм, лин. плотность 0.4 г/м 10 метров
          • Катушка углеродной нити, 100 м
          • Углеродная нить (шнур), диаметр 2.4 мм, лин. плотность 1.6 г/м 10 метров
          • Кристалл для измерителя толщины напыления, 1 шт.
        • Материалы для изготовления реплик
          • Назад
          • Материалы для изготовления реплик
          • Тонкая репликационная лента из ацетата целлюлозы, толщина 22 мкм, 38 мм × 4.5 м
    • Расходные материалы
    • Применение
      • Назад
      • Применение
      • Академия ТЕСКАН
        • Назад
        • Академия ТЕСКАН
        • Что такое СЭМ?
        • Детекторы и аксессуары
        • Внутрикамерные детекторы
        • Внутрилинзовые детекторы
        • FIB-SEM: области и возможности применения
        • Обзор методов пробоподготовки
        • Список литературы
      • Статьи
      • Галерея изображений
      • Видеоматериалы
    • Новости
    • Календарь
    • Контакты
    • +7 (812) 322 58 99
    г. Санкт-Петербург, Гражданский проспект д.11, офис 212; А/Я 24, здание института «Гипроникель»
    info@tescan.ru
    • Вконтакте
    • YouTube
    • Главная
    • Применение
    • Статьи
    • Поиск рокезита с помощью системы AZtecFeature

    Поиск рокезита с помощью системы AZtecFeature

    11 декабря 2019
    // Геология и минералогия
    >> Прочесть статью в группе ВК >>

    Поиск рокезита с помощью системы AZtecFeature

    Недавно довелось искать на поверхности нескольких аншлифов минерал рокезит (CuInS2), содержащийся внутри зёрен минерала Cu3SbS3.

    Хозяйка образцов на микроскопе TESCAN VEGA случайно обнаружила одно зерно рокезита. Требовалось найти ещё несколько, чтобы показать, что присутствие рокезита в данных образцах — это закономерность, а не случайность. Исследовалось 3 аншлифа золото-серебряных руд с сульфидной минерализацией, представленной минералами группы блёклых руд, халькопиритом, сфалеритом, галенитом. Было понятно, что искать рокезит в ручном режиме — это как «искать иголку в стоге сена», так как рокезит CuInS2 и его окружение Cu3SbS3 имеют очень похожие яркости на BSE-снимках, так как у этих минералов близкий средний атомный номер:

    CuInS2 (% масс.: 26.2 Cu; 47.3 In; 26.4 S) имеет средний атомный номер 40.68.

    Cu3SbS3 (% масс.: 46.7 Cu, 29.8 Sb, 23.5 S) имеет средний атомный номер 37.78.

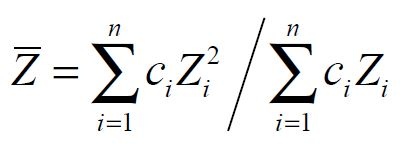
    Средние атомные номера вычислялись по формуле [1]:

    Средний атомный номер

    где Ci — массовая доля элементов, входящих в состав вещества; Zi — атомный номер элементов, входящих в состав вещества

    Поиск рокезита выполняли с помощью системы автоматического поиска и анализа микрочастиц и микровключений AZtecFeature, производство Oxford Instruments. EDS-спектрометр был установлен на микроскопе марки TESCAN с катодом с полевой эмиссией LYRA 3 XMH. Основная задача заключалась в том, чтобы научить машину разделять близкие оттенки серого.

    Яркость и контраст BSE-изображения были настроены так, чтобы были видны различия между рокезитом и блеклой рудой, и так, чтобы это было максимально контрастно, насколько это возможно. Настройка проводилась на ранее найденном зерне рокезита. Обычно для нахождения оптимальных значений яркости и контрастности BSE-изображения калибровку системы проводят на специальном калибровочном образце, но в данном случае этот способ не дал ожидаемого результата.

    Из-за ограниченного количества времени проводилось сканирование не всей поверхности аншлифа, а только разрозненных светлых областей, так как именно эти области включали в себя блеклые руды, где и ожидалось обнаружить зерна рокезита.

    Ниже представлены изображения тех областей из трех образцов, в которых были найдены зерна рокезита.

    Область 1 Область 2 Область 3

    Область 1 была отсканирована за 26 минут, область 2 — за 54 минуты, область 3 — за 64 минуты.

    Область 1

    Область 1 состояла из 175 участков сканирования, размер каждого участка 103 мкм (1024 х 1024 пикселей). В области 1 было найдено 2 зерна рокезита. Ниже представлены изображения участков, на которых они были обнаружены, а также фотографии и спектры зёрен рокезита и его окружения.

    Участок 1, область 1

    Участок 1, область 1. Красной точкой система AZtecFeature отметила центр зерна рокезита

    Зерно рокезита с участка 1 области 1

    Зерно рокезита с участка 1 области 1

    Спектр 10 

    Спектр, снятый с зерна рокезита на участке 1 области 1

    Спектр 11 

    Спектр, снятый с матрицы, окружающей зерно рокезита с участка 1 области 1

    Область 2

    119 участков сканирования, размер каждого участка 134 мкм (1024 х 1024 пикселей), обнаружено 2 зерна рокезита, ниже изображения участков с найденным рокезитом, а также фотографии и спектры зёрен рокезита и его окружения. На втором участке рокезит в окружении халькопирита, а не блёклой руды.

    Участок 1, область 2.

    Участок 1, область 2. Красной точкой система AZtecFeature отметила центр зерна рокезита (см. верхнюю центральную часть изображения)

    Зерно рокезита с участка 1 области 2

    Зерно рокезита с участка 1 области 2

    Спектр 19

    Спектр, снятый с зерна рокезита на участке 1 области 2

    Спектр 20

    Спектр, снятый с матрицы, окружающей зерно рокезита с участка 1 области 2

    Область 3

    442 участка сканирования, размер каждого участка 137 мкм (1024 х 1024 пикселей).

    Обнаружено 1 зерно рокезита.

    Участок 1, область 3

    Участок 1, область 3. Красной точкой система AZtecFeature отметила центр зерна рокезита.

    Зерно рокезита с участка 1 области 3

    Зерно рокезита с участка 1 области 3

    Спектр 17

    Спектр, снятый с зерна рокезита на участке 1 области 3

    Спектр 18

    Спектр, снятый с матрицы, окружающей зерно рокезита с участка 1 области 3

    Проведенное исследование показывает, что даже в таких «неудобных» случаях, когда яркость искомых частиц близка к яркости матрицы, окружающей эти частицы, система AZtecFeature при должной настройке способна детектировать искомые частицы, причём поиск происходит быстро (гораздо быстрее, чем в ручном режиме). Однако стоит отметить, что для настройки AZtecFeature в подобных сложных случаях необходимо заранее найти хотя бы одного представителя искомых частиц. В данной работе с помощью AZtecFeature было показано, что зерна рокезита присутствуют во всех предоставленных на исследование образцах.

    Список литературы

    Mean Atomic Number and Backscattered Electron Coefficient Calculations for Some Materials with Low Mean Atomic Number, P.G.T. Howell, K.M.W. Davy, A. Boyde.
    Назад к списку Следующая статья
    Категории
    • Все статьи и заметки19
    • Материаловедение6
    • Микроэлектроника3
    • Геология и минералогия7
    • Науки о живом3
    Это интересно
    • Детектор отраженных электронов LE-BSE для работы при низких ускоряющих напряжениях
      Детектор отраженных электронов LE-BSE для работы при низких ускоряющих напряжениях
      2 августа 2021
    • Создание широких поперечных сечений OLED-дисплеев с помощью новейшего двулучевого сканирующего электронно-ионного микроскопа TESCAN SOLARIS X
      Создание широких поперечных сечений OLED-дисплеев с помощью новейшего двулучевого сканирующего электронно-ионного микроскопа TESCAN SOLARIS X
      2 августа 2021
    Подписывайтесь на рассылку новостей:
    Оборудование
    Применение
    Новости
    Пользователи и партнеры
    Все статьи и заметки
    Материаловедение
    Микроэлектроника
    Геология и минералогия
    Науки о живом
    Записаться на демонстрационное исследование
    Сервисное обслуживание
    Лаборатория под ключ
    +7 (812) 322 58 99
    г. Санкт-Петербург, Гражданский проспект д.11, офис 212; А/Я 24, здание института «Гипроникель»
    info@tescan.ru
    © ООО «‎ТЕСКАН» 2026
    Разработка сайта  –